ツーリング シーズンを前に、YAMAHA FZ400 のテールランプを LED 化してみました。バイク用品の専門店に行けば LED テールランプの完成品が売られていますが、万能基板にバラ売りの白色 LED を半田付けして格安で自作してみます。
ギャラリー
テールランプのハウジングを分解。接合部がグルーで埋められていて分解するのに難儀しました。ランプのソケット傍にある穴を基板の固定に利用できそうです。
完成した基板の右半分。2 段目がポジション ランプ、1 段目と 3 段目がブレーキ ランプ、4 段目が番号標の照明になります。LED にはストローを切ったスペーサを履かせて高さを揃えてあります。
完成した基板を取り付けてみたところ。取り付けには M3 のスペーサを利用しました。
ぶれぶれ(´・ω・`) ポジション ランプの点灯時。
ぶれぶれ(´・ω・`) ブレーキ ランプを点灯したところ。クリア レンズにすれば、もっと LED のツブツブ感がアップするかもしれません。
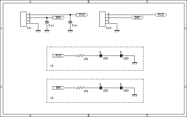
回路図

Fig.1 回路図
LED は 2 本直列にした回路を、ポジション ランプ系に 4 組、番号標の照明に 4 組、ブレーキ ランプ系に 8 組使用しています。
材料
レアな部品は使っていません、というか、あまり考えずに作ったので、手持ちの部品で適当にあり合わせて頂ければ結構かと思います。材料費は 1,000 円でお釣りが来ました。
- 白色 LED(C534T-WLN) × 32 個 ... マルツで一番安い白色 LED を探したらコレだったというだけで特に理由はありません。超高輝度品ではありませんが、実際のところ十分な明るさで、また、計らずも草帽型形状だったため、光束が拡散して均一に照射できます。逆に一般的な砲弾形状の LED では、光束が集中して問題になるかもしれません。
- 抵抗(330Ω) × 16 個 ... LED の電流制限抵抗です。最大値として電源電圧が 15V の時、LED の最大定格電流 25mA が流れるとして;

この時、抵抗で消費される電力は;

1/4W 品でギリギリ十分でしょう。また、電源電圧が 12V の時、LED に流れる電流は;

- 万能基板 × 1 枚 ... 大きめの基板を買って、ランプ ハウジングや取り付け方法に合わせてぶった切ります。
- 3 極カプラ × 1 組 ... FZ400 は、テール ランプが 3 極カプラを介して接続されていたので、復旧し易いよう、同じカプラを使用してモジュール化しました。ホームセンターのカー用品コーナーで購入できます。
- 4 ピンヘッダ+コネクタ × 数組 ... 無くても良い。カプラからの配線を基板に直結すると断線が気になったりしたので気分で(Fig.1 -CN)。ついでに使途不明の予備端子(Fig.1 -AUX)を追加してみたり。
- セラミック コンデンサ(0.1μ50V) × 2 個 ... 無くても良い。高周波ノイズ対策に気分で。ポジション ランプ系とブレーキ ランプ系に 2 個。
改善点
- 接続を間違えた時に LED を保護する逆流防止ダイオードがあった方が良いかもしれない
- 走行中の振動で抜けないように、かつ先述の接続端子の極性ミスがないよう、接続コネクタは抜け防止ツメつきの規格に替えた方が良いかもしれない
- 少し暗いかみしれないので、LED の数を増やしても良いかもしれない